
연락처
텍트로닉스 담당자와 실시간 상담 6:00am-4:30pm PST에 이용 가능
전화
전화 문의
9:00am-6:00PM KST에 이용 가능
다운로드
매뉴얼, 데이터 시트, 소프트웨어 등을 다운로드할 수 있습니다.
피드백
BSXPCI3EQ BSXPCI4EQ Linear Equalizers Datasheet
BSXPCI3EQ and BSXPCI4EQ Datasheet
이 데이터 시트의 제품은 텍트로닉스에서 더 이상 판매하지 않습니다.
리퍼브 테스트 장비에 대한 Tektronix Encore를 확인하십시오.
이러한 제품에 대한 지원 및 보증 상태를 살펴보십시오.

Tektronix offers Continuous Time Linear Equalizers (CTLEs) to correct for losses and distortions caused by high frequency transmission lines.
Key performance specifications
- High correlation to the PCIe3/4 Behavioral CTLE Models
- Nominal 2 dB insertion loss
- DC coupled
- 23 dBM RF power
Product description
Continuous Time Linear Equalizers (CTLEs) are implemented to correct for losses and distortions caused by high frequency transmission lines. Two different sets of equalizers are offered for PCIe3, 8GT/s (BSXPCI3EQ) and PICe4, 16GT/s (BSXPCI4EQ). Each offering contains two sets of equalizers with two different gain corrections (3 dB and 6 dB).
The CTLEs can improve eye openings due to the trace losses of the PCBs, enabling a higher level of testability of the corresponding data channels.
The equalizers follow the PCIe3/4 specifications for the transfer function given as follows:
H(s) = ωp2× (s + ωp1× ADC)/((s + ωp1) × (ωp2))
For PCIe3
- ADC = DC Gain
- ωp1 = pole 1 = 2π × 2 GHz
- ωp2 = pole 2 = 2π × 8 GHz
For PCIe4
- ADC = DC Gain
- ωp1 = pole 1 = 2π × 4 GHz
- ωp2 = pole 2 = 2π × 16 GHz
Typical performance BSXPCI3EQ 3 dB
Typical performance BSXPCI3EQ 6 dB
Typical performance BSXPCI4EQ 3 dB
Typical performance BSXPCI4EQ 6 dB
Specifications
All specifications are guaranteed unless noted otherwise.
| Parameter | BSXPCI3EQ | BSXPCI4EQ | |||
|---|---|---|---|---|---|
| PCIe3, 3 dB | PCIe3, 6 dB | PCIe4, 3 dB | PCIe4, 6 dB | ||
| Attenuation, DC | Minimum | 4.5 dB | 7.5 dB | 4.5 dB | 7.5 dB |
| Typical | 5 dB | 8 dB | 5 dB | 8 dB | |
| Maximum | 5.5 dB | 8.5 dB | 5.5 dB | 8.5 dB | |
| Passband insertion loss | PCIe3 (fc=4 GHz) PCIe4 (fc=8 GHz) |
2 dB nominal 2.5 dB maximum |
|||
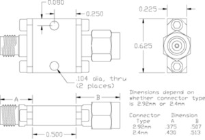
| Connector configuration | SMA | SMA | 2.92 mm | 2.92 mm | |
| Return loss (see plots) | -12 dB, 0 to 8 GHz -10 dB, 8 to 12 GHz |
-12 dB, 0 to 12 GHz -10 dB, 12 to 20 GHz |
|||
| Maximum power, CW | 23 dBm | ||||
| Storage temperature | Case | -25 °C, minimum +90 °C, maximum |
|||
| Impedance | 50 Ω | ||||
| Warranty | One year, typical | ||||
Ordering information
Models
- BSXPCI3EQ
- PCIe3 CLTE 3 dB, 6 dB (2 each) (SMA)
- BSXPCI4EQ
- PCIe4 CTLE 3 dB, 6 dB (2 each) (2.92mm)








