
お問い合わせ
ダウンロード
マニュアル、データシート、ソフトウェアなどのダウンロード:
フィードバック
PSPL5589 2.8 GHz High Current Bias Tee Datasheet
PSPL5589 Datasheet
このデータ・シートの製品は、テクトロニクスでは販売終了となっています。
Tektronix Encoreプレミアム再生品を見るbr/>
上記製品のサポートと保証のステータスをチェックする

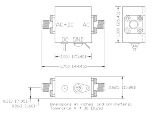
The PSPL5589 High Current Bias Tee is intended for frequency domain, high current applications. Unlike most high current bias tees that typically are specified for only an octave band, this bias tee can typically cover a decade. The DC input is a solder terminal feed-thru capacitor.
Key performance specifications
- 0.3 GHz to 2.8 GHz
- 100 V, 7 A
Typical performance

Insertion Loss, S21. 0.5 dB/div, top line is the 0 dB reference.

Return Loss, S11. 5 dB/div, top line is the 0 dB reference.
Specifications
| Parameter | Symbol | Units | Minimum | Typical | Maximum | Comments |
|---|---|---|---|---|---|---|
| Impedance | Z | ohms | 50 | |||
| Frequency range | f | GHz | 0.3 to 2.8 0.45 to 2.6 | IL 10 dB IL 15 dB | ||
| Insertion loss | S21 | dB | 0.05 | At 1.5 GHz | ||
| Input (AC), Return loss | S11 | dB | >25 | Mid band, AC port | ||
| DC voltage | V | V | 100 | |||
| DC current | I | A | 7 | |||
| Capacitance (bypass) | C | nF | 22 | |||
| Capacitance | C | nF | 1 | |||
| Inductance | L | nH | 51 | |||
| Resistance | R | ohms | 0.015 | |||
| RF power | P | W | 100 | Average power | ||
| Isolation | S13 | dB | >50 | |||
| DC path bandwidth | fc,DC | kHz | 275 | |||
| Temperature | T | °C | -55 | +125 | Storage and operating | |
| RF connectors | SMA jacks (f) | |||||
| DC connector | Solder pin | |||||
| Warranty | One year | |||||
Ordering information
Models
- PSPL5589
- BIAS TEE, 0.3-2.86 GHz, 100 V, 7 A

