Kontaktaufnahme
Live-Chat mit Tektronix-Vertretern. Verfügbar von 9 bis 17 Uhr CET Geschäftstage.
Kontaktieren Sie uns telefonisch unter
Verfügbar von 9 bis 17 Uhr CET Geschäftstage.
Download
Laden Sie Handbücher, Datenblätter, Software und vieles mehr herunter:
Feedback
Die Standardmethode zur Messung von Schaltparametern
Die Minimierung von Schaltverlusten ist nach wie vor eine große Herausforderung für Entwickler von Leistungsgeräten, die an SiC- und GaN-Geräten arbeiten. Das Standardtestverfahren zur Messung von Schaltparametern und Bewertung des dynamischen Verhaltens von Si-, SiC- und GaN-MOSFETs und IGBTs ist der Doppelpulstest (DPT). Doppelpulstests können verwendet werden, um den Energieverlust während des Ein- und Ausschaltens des Geräts sowie die Sperrverzögerungsparameter zu messen.
Doppelpulstests und ihre Vorteile

Doppelpuls-Testschaltung.
Weitere Informationen:
Doppelpulstest für Leistungshalbleiterkomponenten mittels Oszilloskop und Arbiträrgenerator
Grundlagen des Doppelpulstests
Die Durchführung eines Doppelpulstests erfordert zwei Geräte. Ein Gerät ist das zu testende Gerät (DUT) und das zweite Gerät ist in der Regel ein weiteres Gerät desselben Typs wie das DUT. Beachten Sie die induktive Last am High-Side-Gerät. Der Induktor wird verwendet, um Schaltungsbedingungen zu replizieren, die möglicherweise einem Wandlerdesign ähneln. Die verwendeten Instrumente sind ein Labornetzgerät oder SMU zur Versorgung mit Spannung, ein Arbiträrgenerator (AFG) zur Ausgabe von Impulsen, die das MOSFET-Gate auslösen und den Transistor einschalten, um die Stromleitung zu starten, sowie ein Oszilloskop zur Messung der resultierenden Wellenformen.
Erzeugen von Gate-Ansteuersignalen für einen Doppelpulstest
Die einfachste Methode, Gate-Ansteuersignale zur Durchführung eines Doppelpulstests zu erzeugen, ist die Verwendung eines Arbiträrgenerators (AFG). Ein AFG kann verwendet werden, um das Gate-Ansteuersignal für einen Doppelpulstest zu erzeugen. Der Tektronix AFG31000 verfügt über eine integrierte Doppelpuls-Testanwendung, um Impulse mit unterschiedlichen Impulsbreiten zu erzeugen.

Geräte-Einrichtung zur Durchführung von Doppelpulstests.
Weitere Informationen:
Doppelpulstest mit dem AFG31000

Doppelpuls-Testschaltung.
Weitere Informationen:
Doppelpulstest - Energieverlustmessungen
MSO-Option 4-WBG-DPT/5-WBG-DPT/6-WBG-DPT der Serie 4/5/5B/6B - Anwendungsdatenblatt
Messen von Ein- und Ausschaltzeiten und Energieverlusten
Ein Oszilloskop ist großartig zum Erfassen der Doppelpuls-Wellenformen geeignet, um so die Einschalt- und Ausschaltzeitparameter Ihres Geräts zu ermitteln. Mit dem Tektronix MSO der Serie 4/5/6 B und der Anwendungssoftware für Doppelpulstests mit großer Bandlücke (Option WBG-DPT) haben Sie alles zur Hand, was Sie zum Erfassen der Parameter benötigen. Die WBG-DPT-Option bietet automatische Schalt- und Timingfunktionen sowie Sperrverzögerungsmessungen gemäß JEDEC- und IEC-Standards.
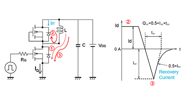
Messen der Sperrverzögerung
Die Sperrverzögerungszeit der Diode ist ein Maß für die Schaltgeschwindigkeit in der Diode. Sie wirkt sich somit auf die Schaltverluste im Wandlerdesign aus. Der Sperrverzögerungsstrom tritt während des Einschaltens des zweiten Impulses auf. Wie im Diagramm gezeigt, ist die Diode während Phase 2 in einem Durchlasszustand und leitet. Wenn der Low-Side-MOSFET wieder einschaltet, sollte die Diode unmittelbar in einen rückwärts sperrenden Zustand schalten. Die Diode leitet jedoch für kurze Zeit in einem umgekehrten Zustand, der als Sperrverzögerungsstrom bezeichnet wird. Dieser Sperrverzögerungsstrom wird in Energieverluste umgewandelt, die sich direkt auf die Effizienz des Leistungswandlers auswirken.

Doppelpuls-Testschaltung.






-power-electronics-systems/fig-16.png?h=696&iar=0&w=1192)




