
연락처
텍트로닉스 담당자와 실시간 상담 6:00am-4:30pm PST에 이용 가능
전화
전화 문의
9:00am-6:00PM KST에 이용 가능
다운로드
매뉴얼, 데이터 시트, 소프트웨어 등을 다운로드할 수 있습니다.
피드백
PSPL5828A 14 GHz Ultra-Broadband Amplifier Datasheet
PSPL5828A Datasheet
이 데이터 시트의 제품은 텍트로닉스에서 더 이상 판매하지 않습니다.
리퍼브 테스트 장비에 대한 Tektronix Encore를 확인하십시오.
이러한 제품에 대한 지원 및 보증 상태를 살펴보십시오.

This Ultra-Broadband Amplifier is an excellent choice for either pulse or RF applications. It offers a very attractive price/performance ratio. It is AC coupled and is extremely broadband, covering 5 ½ decades from 50 kHz to 14 GHz. It has clean transient response and smooth gain vs. frequency response. This is a stable 50 Ω amplifier, and several can be connected in cascade for higher gains. The PSPL5828A is ideal for 10 Gb/s systems.
Key performance specifications
- Linear amplifier with 10 dB gain
- 50 kHz to 14 GHz bandwidth
- +12 dBm output
- Single 12 V power supply
Typical performance


Step Response, input is 15 ps rise time.

Eye diagram, 10.66 Gb/s PRBS=223–1, 250 mV input
Specifications
| Parameter | Symbol | Units | Minimum 1 | Typical | Maximum | Comments |
|---|---|---|---|---|---|---|
| Impedance | Z | Ohms | 50 | |||
| Upper 3 dB freq. | fc,h | GHz | 12 | 14.4 | ||
| Lower 3 dB freq. | fc,I | kHz | 50 | |||
| Small signal gain | S21 | dB | 9 | 10.6 | Meas. at 100 MHz | |
| Return Loss, Input Output |
S11 S22 |
dB | 15 18 |
Meas. at 100 MHz | ||
| Isolation | S12 | dB | 19 | Meas. at 100 MHz | ||
| Rise Time Fall Time |
tr tf |
ps | 23 23 |
30 30 |
10-90%, 25 ps input | |
| Overshoot | % | 5 | 8 | 25 ps rise time input | ||
| Gain Flatness | dB | +/- 0.5 | f | |||
| Eff. Input RMS Noise Voltage | μV rms | 112 | ||||
| Noise Figure | dB | 6 | 8 | Meas. at 100 MHz | ||
| TDR Refl. Input Output |
% | +25 -10 |
||||
| Max Power Out (-1 dB gain comp) |
dBm | +12 dBm +14 dBm +11 dBm |
100 MHz 5 GHz 10 GHz |
|||
| Max RF In (cw) or peak pulse |
dBm V |
10 1 |
Damage threshold | |||
| Supply Voltage | VDC | V | 11.5 | 12.5 | ||
| Supply Current | IDC | mA | 53 | |||
| Temperature | TCASE Tstor |
Deg C | -25 -25 |
+75 +90 |
Operating (case) Storage |
|
| Temp Coeff - Gain | dB/Deg C | -0.002 | ||||
| Temp Coeff - BW | %/Deg C | -0.16 | ||||
| Polarity | Inverting | |||||
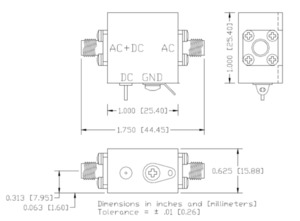
| Coupling | AC, input and output | |||||
| RF Connectors | SMA jacks (f) | |||||
| DC Connector | Solder pin | |||||
| Warranty | One Year | |||||
1 Guaranteed at +12 V and 23 C when max/min limits are given.
Ordering information
Models
- PSPL5828A
- AMPLIFIER, 14 GHz, 10 dB GAIN

